7. Sınıf Fen ve Teknoloji 2. Dönem 2. Yazılı Soruları ve Cevapları
FEN VE TEKNOLOJİ DERSİ 7. SINIF II. DÖNEM II.YAZILI SINAVI SORULARI
AD VE SOYAD :………………………………………………………………..
SINIF VE NUMARA :…………………………………………………
A- Aşağıdaki doğru-yanlış sorularından doğru olanlara D,yanlış olanlara Y harfi yazınız.( 10 P )
1- (…………) Seri bağlı devrelerde direnç sayısı arttıkça toplam direnç azalır.
2- (…………) Binaları yıldırımdan koruyan araçlara paratoner denir.
3- (…………) Elementin atomları birbirinden farklıdır.
4- (…………) Atomlar sadece elektron alarak kararlı olabilir.
5- (…………) Kimyasal bağ sadece farklı element atomları arasında olur.
6- (…………) Heterojen karışım bir çözeltidir.
7- (…………) Kovalent bağ yapan bir atomun katman sayısı değişmez.
8- (…………) Çekirdekteki proton sayısı o atomun hangi elemente ait olduğunu gösterir.
9- (…………) Kırmızı renkli bir cismin üzerine yeşil ışık düşürülürse cisim kırmızı renkte görünür.
10-(…………) Bir cismin göründüğü renk o cismin soğurduğu renktir.
şimşek, klor, soğurur ,çekim, molekül, saf, formül, semboller , katyon ,nötron,
çekirdek, negatif, yansıma ,pozitif, enerji, bulutunu, anyon ,nötr, katman,tür,
B- Aşağıdaki boşlukları yukarıdaki kutucuktan uygun sözcüklerle tamamlayınız.( 15 P )
1- Bulutlar arasındaki yük alış-verişine …………………………………… denir.
2- Elementler ………………………… maddelerdir.
3- Molekül yapılı elementler ………………………………… ile gösterilir.
4- Atomun bir parçası olan …………………………… yüksüzdür.
5- Protonlar çekirdekte bulunan …………………………… yüklü taneciklerdir
6- Elektronlar atomun etrafındaki elektron ……………………………… oluşturur.
7- Negatif yüklü iyon atomlara ……………………… pozitif yüklü iyon atomlara …………………………………… denir.
8- Koyu renkli cisimler ışığı,açık renkli cisimlere göre daha çok …………………………………
9- Işık bir tür ……………………………… dir.
10- Işık ………………………………… ve soğurulma özelliğine sahiptir.
C- Aşağıdaki çoktan seçmeli soruların doğru cevaplarını işaretleyiniz.( 65 P )
1- Aşağıdaki devre elemanlarında hangisi devreye daima seri bağlanır?
A) Voltmetre B) Ampermetre
C) Ampul D) Batarya
A) 2 ve 4 B) Yalnız 4
C) 1 ve 4 D) 1,2,3 ve 4
3- Aşağıdaki eşleştirmelerden hangisi yanlıştır?
A) Ampermetre akım ölçer seri bağlanır.
B) Voltmetre gerilim ölçer paralele bağlanır.
C) Ampermetre gerilim ölçer seri bağlanır.
D) Lamba ışık verir
4- Aşağıdakilerden hangisi ışığın ana renklerinden değildir?
A) Kırmızı B) Siyah C) Mavi D) Yeşil
5- Şekerli su çözeltisini seyreltmek için aşağıdaki işlemlerden hangisinin yapılması gerekir?
A) Şeker eklemek.
B) Su eklemek.
C) Güneşte bekletmek.
D) Çözeltinin yarısını başka bir kaba boşaltmak.
6- Çözeltiler içerdikleri çözünen miktarına göre seyreltik ya da derişik olarak iki gruba ayrılır. Buna göre;
I II III
Yukarıdaki çözeltilerin derişikliklerine göre karşılaştırılmaları aşağıda verilenlerden hangisinde doğru olarak verilmiştir?
A) I>II=III B) II>I>III
C) II>III>I D) II>I=III
7- X ile Y arasında kovalent bağlı, Y ile Z arasında ise iyonik bağlı bileşik oluşmaktadır. Buna göre X,Y ve Z hangi seçenekte doğru sınıflandırılmıştır?
|
X
|
Y
|
Z
|
|
| A) |
Metal
|
Ametal
|
Ametal
|
| B) |
Metal
|
Metal
|
Ametal
|
| C) |
Ametal
|
Ametal
|
Metal
|
| D) |
Ametal
|
Metal
|
Ametal
|
8- Kimyasal bağlara ilişkin ;
I- Kimyasal bağ sonucu molekül oluşur.
II-Elektron ortaklaşması sonucu oluşan bağ iyoniktir.
III-İyonik bağların oluşumu, elektron alış-verişi sonucudur.
Yargılarından hangisi yada hangileri doğrudur?
A) Yalnız I B) I ve III
C) I,II ve III D) II ve III
9-
Yukarıdaki tanecik modellerinden hangileri bir elemente aittir?
A) Yalnız I B) Yalnız III
C) II ve III D) I,II ve III
10- Bir kitap yeşil filtreden gelen ışıkla aydınlatılınca siyah görünüyor.Buna göre,kitabın rengi,
I. Beyaz II. Yeşil III. Kırmızı
renklerinden hangileri olabilir?
A) Yalnız I B) Yalnız III
C) II ve III D) I,II ve III
11- * Bütün renkleri içerir.
* Mavi filtreye tutulduğunda mavi renkte ışık verir.
Yukarıda verilen ipuçlarında bahsedilen ışık rengi aşağıdakilerden hangisidir?
A) Beyaz ışık B) Mavi ışık
C) Kırmızı ışık D) Siyah ışık
2-
Şekilde gösterildiği gibi kırmızı ve yeşil renkte iki filtrenin arkasında duran bir çocuk,kendisine gönderilen beyaz ışığı hangi renkte görür?
A) Beyaz B) Siyah C) Sarı D) Mavi
13- Yansıma ve kırılma olayları ışığın hangi özelliğinin birsonucudur?
A) Doğrusal yolla yayılma
B) Enerjiye sahip olma
C) Saydam ortamlarda ilerleme
D) Parlak yüzeylerden geri gelme
E- . Aşağıdaki tabloya sarı renkli bir tişörtün farklı renk ışıklarda hangi renk görüleceğini yazınız. ( 5 P )
-
Beyaz ışıkta Kırmızı ışıkta Mavi ışıkta Yeşil ışıkta Sarı ışıkta Sarı tişört
-
Aşağıda verilen prizmadan çıkan ışınları sırası ile yazınız.
(8 Puan)
A- Aşağıdaki doğru-yanlış sorularından doğru olanlara D,yanlış olanlara Y harfi yazınız.( 10 P )
1- ( Y ) Seri bağlı devrelerde direnç sayısı arttıkça toplam direnç azalır.
2- ( D ) Binaları yıldırımdan koruyan araçlara paratoner denir.
3- ( Y ) Elementin atomları birbirinden farklıdır.
4- ( Y ) Atomlar sadece elektron alarak kararlı olabilir.
5- ( Y ) Kimyasal bağ sadece farklı element atomları arasında olur.
6- ( D ) Heterojen karışım bir çözeltidir.
7- ( D ) Kovalent bağ yapan bir atomun katman sayısı değişmez.
8- ( D ) Çekirdekteki proton sayısı o atomun hangi elemente ait olduğunu gösterir.
9- ( Y ) Kırmızı renkli bir cismin üzerine yeşil ışık düşürülürse cisim kırmızı renkte görünür.
10-( Y ) Bir cismin göründüğü renk o cismin soğurduğu renktir.
şimşek, klor, soğurur ,çekim, molekül, saf, formül, semboller , katyon ,nötron,
çekirdek, negatif, yansıma ,pozitif, enerji, bulutunu, anyon ,nötr, katman,tür,
B- Aşağıdaki boşlukları yukarıdaki kutucuktan uygun sözcüklerle tamamlayınız.( 15 P )
1- Bulutlar arasındaki yük alış-verişine şimşek denir.
2- Elementler saf maddelerdir.
3- Molekül yapılı elementler formül ile gösterilir.
4- Atomun bir parçası olan nötron yüksüzdür.
5- Protonlar çekirdekte bulunan pozitif yüklü taneciklerdir
6- Elektronlar atomun etrafındaki elektron bulutunu oluşturur.
7- Negatif yüklü iyon atomlara anyon pozitif yüklü iyon atomlara katyon denir.
8- Koyu renkli cisimler ışığı,açık renkli cisimlere göre daha çok soğurur
9- Işık bir tür enerji dir.
10- Işık yansıma ve soğurulma özelliğine sahiptir.
C- Aşağıdaki çoktan seçmeli soruların doğru cevaplarını işaretleyiniz.( 65 P )
1- Aşağıdaki devre elemanlarında hangisi devreye daima seri bağlanır?
A) Voltmetre B) Ampermetre
C) Ampul D) Batarya
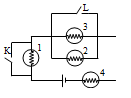
2- Şekildeki elektrik devresinde L anahtarı kapatıldığında hangi lamba ya da lambalar ışık verir ?
A) 2 ve 4 B) Yalnız 4
C) 1 ve 4 D) 1,2,3 ve 4
3– Aşağıdaki eşleştirmelerden hangisi yanlıştır?
A) Ampermetre akım ölçer seri bağlanır.
B) Voltmetre gerilim ölçer paralele bağlanır.
C) Ampermetre gerilim ölçer seri bağlanır.
D) Lamba ışık verir
4- Aşağıdakilerden hangisi ışığın ana renklerinden değildir?
A) Kırmızı B) Siyah C) Mavi D) Yeşil
5- Şekerli su çözeltisini seyreltmek için aşağıdaki işlemlerden hangisinin yapılması gerekir?
A) Şeker eklemek.
B) Su eklemek.
C) Güneşte bekletmek.
D) Çözeltinin yarısını başka bir kaba boşaltmak.
6- Çözeltiler içerdikleri çözünen miktarına göre seyreltik ya da derişik olarak iki gruba ayrılır. Buna göre;
I II III
Yukarıdaki çözeltilerin derişikliklerine göre karşılaştırılmaları aşağıda verilenlerden hangisinde doğru olarak verilmiştir?
A) I>II=III B) II>I>III
C) II>III>I D) II>I=III
7- X ile Y arasında kovalent bağlı, Y ile Z arasında ise iyonik bağlı bileşik oluşmaktadır. Buna göre X,Y ve Z hangi seçenekte doğru sınıflandırılmıştır?
|
X
|
Y
|
Z
|
|
| A) |
Metal
|
Ametal
|
Ametal
|
| B) |
Metal
|
Metal
|
Ametal
|
| C) |
Ametal
|
Ametal
|
Metal
|
| D) |
Ametal
|
Metal
|
Ametal
|
8- Kimyasal bağlara ilişkin ;
I- Kimyasal bağ sonucu molekül oluşur.
II-Elektron ortaklaşması sonucu oluşan bağ iyoniktir.
III-İyonik bağların oluşumu, elektron alış-verişi sonucudur.
Yargılarından hangisi yada hangileri doğrudur?
A) Yalnız I B) I ve III
C) I,II ve III D) II ve III
9-
Yukarıdaki tanecik modellerinden hangileri bir elemente aittir?
A) Yalnız I B) Yalnız III
C) II ve III D) I,II ve III
10- Bir kitap yeşil filtreden gelen ışıkla aydınlatılınca siyah görünüyor.Buna göre,kitabın rengi,
I. Beyaz II. Yeşil III. Kırmızı
renklerinden hangileri olabilir?
A) Yalnız I B) Yalnız III
C) II ve III D) I,II ve III
11- * Bütün renkleri içerir.
* Mavi filtreye tutulduğunda mavi renkte ışık verir.
Yukarıda verilen ipuçlarında bahsedilen ışık rengi aşağıdakilerden hangisidir?
A) Beyaz ışık B) Mavi ışık
C) Kırmızı ışık D) Siyah ışık
12-
Şekilde gösterildiği gibi kırmızı ve yeşil renkte iki filtrenin arkasında duran bir çocuk,kendisine gönderilen beyaz ışığı hangi renkte görür?
A) Beyaz B) Siyah C) Sarı D) Mavi
13- Yansıma ve kırılma olayları ışığın hangi özelliğinin birsonucudur?
A) Doğrusal yolla yayılma
B) Enerjiye sahip olma
C) Saydam ortamlarda ilerleme
D) Parlak yüzeylerden geri gelme
E- Aşağıda verilen tabloda boş bırakılan yerleri uygun şekilde doldurunuz.( 10 P )
|
Elementin adı
|
Elementin sembolü
|
|
Bor
|
|
|
Hidrojen
|
|
|
Azot
|
|
|
Flor
|
|
|
Sodyum
|
|
|
Al
|
|
|
P
|
|
|
Cl
|
|
|
Li
|
|
|
K
|




Melisa
E bölümündeki soruların cevabı nerede
Melisa
Sarı tişört sorusu